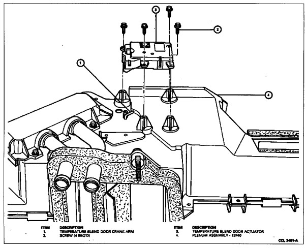
1997 Lincoln Town Car Blend Door Actuator Location

1997 Lincoln Town Car Blend Door Actuator Replacement Youtube Car Repair Diy Car Owners Manuals Lincoln Town Car

1997 Lincoln Town Car Blend Door Actuator Replacement Youtube Car Repair Diy Car Owners Manuals Lincoln Town Car

1997 Lincoln Town Car Blend Door Actuator Replacement Read Description Youtube

1997 Lincoln Town Car Blend Door Actuator Replacement Read Description Youtube

Alternative Cheap 1995 1997 Lincoln Town Car Blend Door Actuator Replacement Youtube

Alternative Cheap 1995 1997 Lincoln Town Car Blend Door Actuator Replacement Youtube

1996 Lincoln Town Car Blend Door Actuator Replacement Youtube

1996 Lincoln Town Car Blend Door Actuator Replacement Youtube

1995 Lincoln Towncar Blend Door Actuator Replacement Instructions Diagram Youtube

1995 Lincoln Towncar Blend Door Actuator Replacement Instructions Diagram Youtube

Symptoms Bad Blend Door Actuator Questions Answers With Pictures Fixya

Symptoms Bad Blend Door Actuator Questions Answers With Pictures Fixya

Symptoms Bad Blend Door Actuator Questions Answers With Pictures Fixya

1995 lincoln towncar blend door actuator replacement instructions diagram here is a link to the diagram you can download it and print https docs google.

1997 lincoln town car blend door actuator location. 1998 lincoln mark viii heater blend door actuator finally solved. Heat and ac control wont work. No parts for vehicles in selected markets. The average cost for a lincoln town car hvac blend door actuator replacement is between 440 and 546.

Clicking noise in dash. Heater blend door actuator connector. Labor costs are estimated between 405 and 511 while parts are priced at 36. Lincoln 1997 town car 4 6l v8 heat air conditioning heater blend door actuator.

Save 1200 dollars from a dealership replacement. How to replace the blend door actuator. Stuck toward heat or stuck toward ac.

Oe Solutions Hvac Air Door Actuator 604 204 Grand Marquis 1997 Lincoln Town Car Innovation Design

Oe Solutions Hvac Air Door Actuator 604 204 Grand Marquis 1997 Lincoln Town Car Innovation Design

Oe Solutions Air Door Actuator Temperature 1997 1998 Lincoln Mark Viii 604 915 Lincoln Mark Viii Automotive Industry Lincoln

Oe Solutions Air Door Actuator Temperature 1997 1998 Lincoln Mark Viii 604 915 Lincoln Mark Viii Automotive Industry Lincoln

Blend Door Actuator Heat And Air Work But The Air Flow Will Not

Blend Door Actuator Heat And Air Work But The Air Flow Will Not

Sparky S Answers 2007 Lincoln Town Car A C Does Not Blow Out Vents

Sparky S Answers 2007 Lincoln Town Car A C Does Not Blow Out Vents

How To Replace Door Lock Actuator 98 01 Lincoln Town Car Youtube

How To Replace Door Lock Actuator 98 01 Lincoln Town Car Youtube

Power Door Lock Fix Lincoln Town Car Youtube

Power Door Lock Fix Lincoln Town Car Youtube

1998 Lincoln Town Car Heater Core Youtube

1998 Lincoln Town Car Heater Core Youtube

How To Fix A Lincoln Town Car Door Handle Youtube

How To Fix A Lincoln Town Car Door Handle Youtube

1997 Lincoln Town Car Premium Radio Bypass And Install Youtube

1997 Lincoln Town Car Premium Radio Bypass And Install Youtube

D4d3 Wiring Diagram For 2000 Lincoln Town Car Wiring Library

D4d3 Wiring Diagram For 2000 Lincoln Town Car Wiring Library

Fuse Box Location And Diagrams Lincoln Town Car 1998 2002 Youtube

Fuse Box Location And Diagrams Lincoln Town Car 1998 2002 Youtube

How To Replace Mirror 98 02 Lincoln Town Car Youtube

How To Replace Mirror 98 02 Lincoln Town Car Youtube

2007 Lincoln Town Car Wiring Diagram And Lincoln Town Car Engine Diagram Types Of Electrical In 2020 Lincoln Town Car Lincoln Ls Lincoln Navigator

2007 Lincoln Town Car Wiring Diagram And Lincoln Town Car Engine Diagram Types Of Electrical In 2020 Lincoln Town Car Lincoln Ls Lincoln Navigator

Lincoln Town Car Questions Where Is My Mass Air Flow Sensor Located Cargurus

Lincoln Town Car Questions Where Is My Mass Air Flow Sensor Located Cargurus

Ford Lincoln Mercury Eatc Repair Video In Depth Tutorial 3 00 Dollars In Parts Youtube

Ford Lincoln Mercury Eatc Repair Video In Depth Tutorial 3 00 Dollars In Parts Youtube

How To Replace Lincoln Towncar Power Window Switch Drivers Side Youtube

How To Replace Lincoln Towncar Power Window Switch Drivers Side Youtube

Panel Doorse Lincoln Town Car Door Panel

Panel Doorse Lincoln Town Car Door Panel

How To Replace Door Lock Actuator 98 03 Lincoln Town Car Youtube

How To Replace Door Lock Actuator 98 03 Lincoln Town Car Youtube

Https Encrypted Tbn0 Gstatic Com Images Q Tbn 3aand9gcq H9jmdjyzx6zyiqdvaxvgbmjmimucevih6z4hppo4e29 Qteb Usqp Cau

Https Encrypted Tbn0 Gstatic Com Images Q Tbn 3aand9gcq H9jmdjyzx6zyiqdvaxvgbmjmimucevih6z4hppo4e29 Qteb Usqp Cau

2007 Lincoln Town Car Heater Problems I Changed Ps Ds Blend

2007 Lincoln Town Car Heater Problems I Changed Ps Ds Blend

1997 Lincoln Window Regulator Youtube

1997 Lincoln Window Regulator Youtube

Town Car Heater Core Detail Youtube

Town Car Heater Core Detail Youtube

Lincoln Town Car Door Panel Removal 90 94 Youtube

Lincoln Town Car Door Panel Removal 90 94 Youtube

2006 Lincoln Town Car Signature Heater Is Only Providing Heat To The Driver Cold Air To Passenger0 Fans Are Operating

2006 Lincoln Town Car Signature Heater Is Only Providing Heat To The Driver Cold Air To Passenger0 Fans Are Operating

2006 Town Car Heater Core Detail Youtube

2006 Town Car Heater Core Detail Youtube

Removing The Dash Face On A 90 94 Town Car Youtube

Removing The Dash Face On A 90 94 Town Car Youtube

2006 Lincoln Town Car For Sale With Photos Carfax

2006 Lincoln Town Car For Sale With Photos Carfax

1995 Lincoln Town Car No Heat 1995 Lincoln Town Car Cartier No

1995 Lincoln Town Car No Heat 1995 Lincoln Town Car Cartier No

Lincoln Town Car Signature Series Cars For Sale

Lincoln Town Car Signature Series Cars For Sale

Lincoln Town Car Cooling Fan Noise Youtube

Lincoln Town Car Cooling Fan Noise Youtube

Where Is It And What S It Look Like Youtube

Where Is It And What S It Look Like Youtube

Town Car Hvac Blend Door Actuator Replacement Lincoln Forums

Town Car Hvac Blend Door Actuator Replacement Lincoln Forums

Fuse Block Diagram Electrical Problem V8 Two Wheel Drive

Fuse Block Diagram Electrical Problem V8 Two Wheel Drive

1997 Lincoln Town Car Amplifier And Subs Install With Stock Amp Wiring Youtube

1997 Lincoln Town Car Amplifier And Subs Install With Stock Amp Wiring Youtube

Auto Impressions 1993 1997 Lincoln Towncar Push Button Start Ignition Install Youtube

Auto Impressions 1993 1997 Lincoln Towncar Push Button Start Ignition Install Youtube

Oe Solutions Air Door Actuators 2006 2011 Lincoln Town Car 604 220 The Home Depot

Oe Solutions Air Door Actuators 2006 2011 Lincoln Town Car 604 220 The Home Depot

Wet Passenger Floor Lincoln Town Car Youtube

Wet Passenger Floor Lincoln Town Car Youtube

2003 2011 Lincoln Town Car Climate Control Self Test Youtube

2003 2011 Lincoln Town Car Climate Control Self Test Youtube

1990 1997 Lincoln Town Car Air Suspension Compressor From Replacement Repm282601 Youtube

1990 1997 Lincoln Town Car Air Suspension Compressor From Replacement Repm282601 Youtube

Oe Solutions Air Door Actuator Temperature 1998 2002 Lincoln Town Car 604 221 The Home Depot

Oe Solutions Air Door Actuator Temperature 1998 2002 Lincoln Town Car 604 221 The Home Depot

How To Replace Lincoln Town Car Blower Motor Youtube

How To Replace Lincoln Town Car Blower Motor Youtube

Do You Have To Remove The Dash To Replace Heater Core On A 1995 Lincoln Towncar

Do You Have To Remove The Dash To Replace Heater Core On A 1995 Lincoln Towncar

New Heater Blend Door Actuator Country Lincoln Town Car Mercury Grand Marquis Ebay

New Heater Blend Door Actuator Country Lincoln Town Car Mercury Grand Marquis Ebay

1997 Lincoln Town Car Coolant Temperature Sensor Relacement Repair Youtube

1997 Lincoln Town Car Coolant Temperature Sensor Relacement Repair Youtube

Source : pinterest.com